Elementy zaciskowe

Spełniają wszelkie wymagania w zakresie technik mocowania. Jergens oferuje kompletną linię wszechstronnych elementów mocujących dla producentów ze wszystkich branż.

Spłuczki Oprawkowe

Jergens Spłuczka oprawkowa do obrabiarek CNC, to narządzie do czyszczenia wrzecion i przestrzeni obróbkowej maszyn. Posiada chwyt Weldon 16 mm. Zasięg czyszczenia wynosi 360° i można go kształtować poprzez liczbę otwartych wylotów. Użytkownik wybiera, które wyloty otworzyć, co kontroluje ciśnienie i kierunek strumieni. Przesuwy i obracanie wrzeciona przy stałym przepływie chłodziwa pozwala na doskonałe i systematyczne czyszczenie wnętrza maszyny. Dzięki opcjonalnej instalacji manometru można sprawdzić stan pompy, filtra i całego przewodu zasilającego.

Elementy Mocujące

Niezbędne komponenty do przyrządów mocujących Dzięki jednemu z największych dostępnych asortymentów elementów mocujących Jergens, jest oferowane wszystko, czego potrzeba do projektowania i budowy standardowego lub własnego oprzyrządowania.

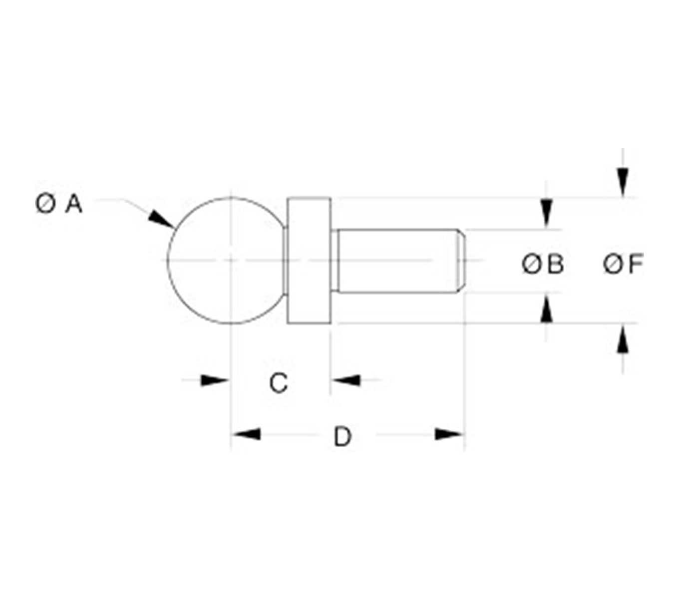
Akcesoria Ustalające

Niezależnie od tego, czy budujesz własne mocowania, czy dostosowujesz istniejące urządzenia do mocowania, Jergens Locating Components ma wszystko, czego potrzebujesz, aby zapewnić szybkie i dokładne zamocowania.

Dociski Szybkomocujące

Dociski szybkomocujące Jergens obejmują szereg standardowych stylów i rozmiarów. Są produkowane z zachowaniem najwyższej jakości, umożliwiają szybką i dokładną pracę oraz zapewniają powtarzalną wydajność mocowania w szerokim zakresie zastosowań i branż.