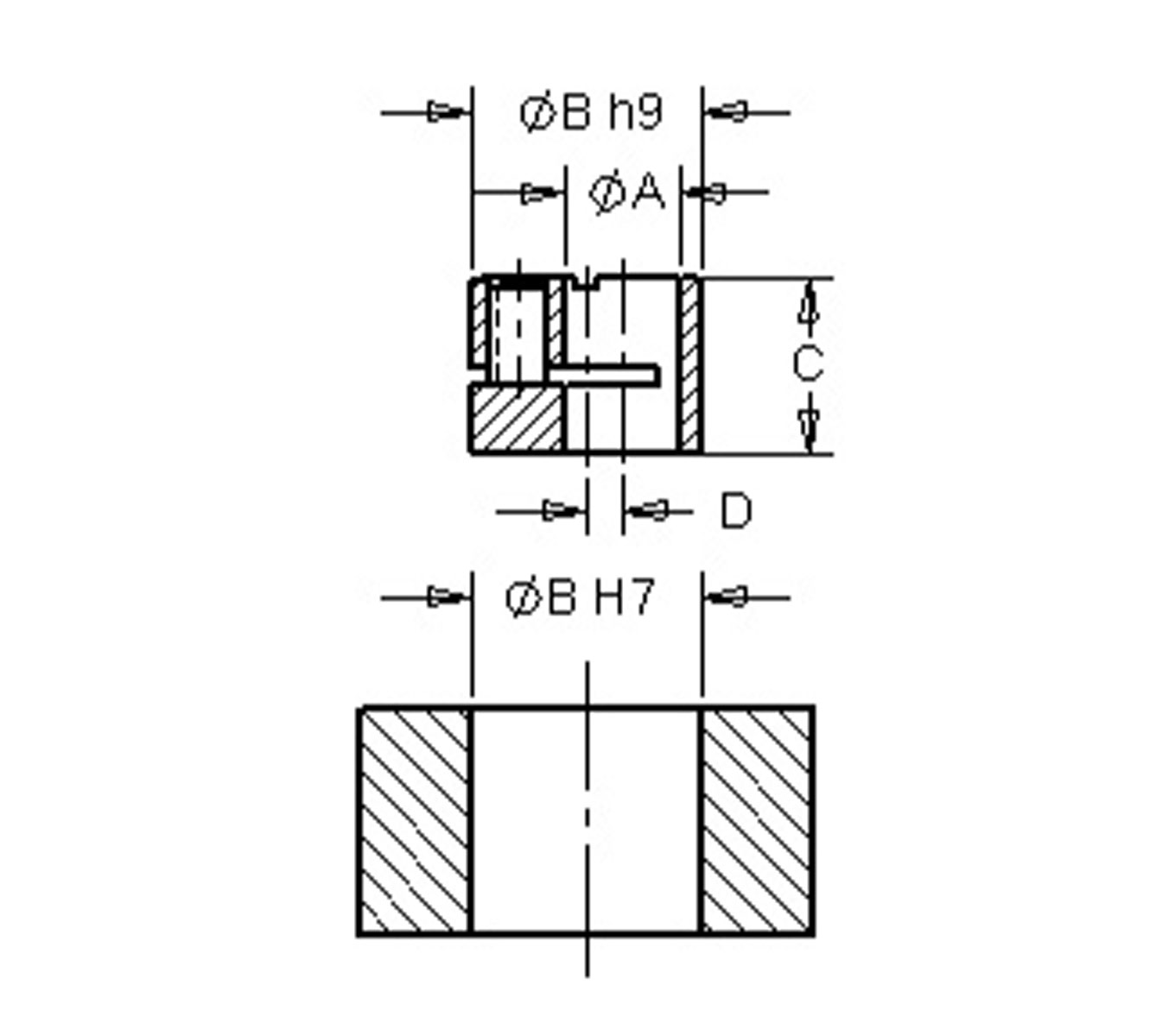
Kołki ustalające sprężynowe Jergens są przeznaczone do mocowania małych części w ciasnych lub
kompaktowych przestrzeniach. Idealne do pozycjonowania i mocowania części płaskich i okrągłych
oraz do mocowania profili.
Ta strona korzysta z ciasteczek aby świadczyć usługi na najwyższym poziomie. Dalsze korzystanie ze strony oznacza, że zgadzasz się na ich użycie.ZgodaPolityka prywatności