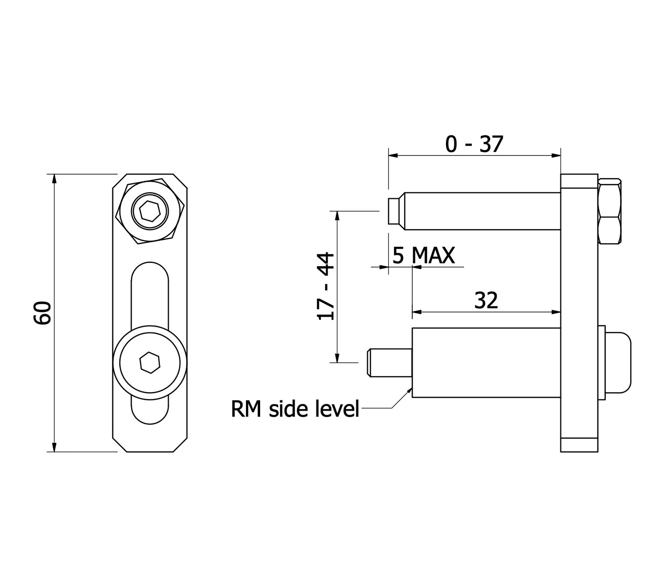
OK-Vise® Moduły Zaciskowe RM Rail System

Jergens OK-Vise® RM Rail System to nowy uniwersalny system rzędowego - szynowego mocowania. Korzystając z komponentów systemu, można obrabiać nawet najbardziej wymagające typy detali i jest to doskonały podstawowy system mocowania dla każdego centrum obróbczego. Główna zaleta to możliwość obróbki całej powierzchni detali.