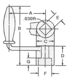
Korby

Kute stalowe, aluminiowe lub plastikowe korby Jergens zapewniają operowanie przesuwami podczas toczenia lub dokręcania w różnych zastosowaniach wymagających częstej regulacji i zmiany położenia.